


微動開關WK2-01技術參數
接觸電阻:20mΩ max
絕緣電阻:100MΩ min
額定電流:UL cUL 15A 125AVC
UL cUL 12A 250AVC
OQC 16A 250VAC T85
耐電壓:≥1000VAC/5S
極對按鈕:≥3000VAC/5S
動作力:170~230g
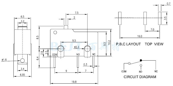
微動開關WK2-01參考圖紙
單位:mm


Copyright © 廣東精密龍電子科技有限公司 版權所有 粵ICP備17035144號 粵公網安備44130202001184號
全國服務電話:0755-83205533 傳真:0755-83761155
公司地址:深圳市龍崗區龍崗大道8288號深圳大運軟件小鎮45棟2樓

